
خط کش دیجیتال سینو SINO سری KA500
1394-02-11
نمايشگر ديجيتال سینو SINO
1394-02-11خط کش دیجیتال سینو SINO سری KA600
خط کش های دیجیتال سینو
SINO Digital rulers
خط کش دیجیتال سینو SINO سری: KA600
SINO Digital ruler series KA600:
معرفی:
شرکت SINO چین بهترین تولیدکننده خط کش دیجیتال در کشور چین است. این محصول از نوع درجه یک میباشد . سری KA200-KA500-KA600-KA300 از محصولات این شرکت است .
خط کش KA600 مناسب طولهای بلند میباشد و با بدنه مقاوم تولید شده است. این خط کش از طول 1000 میلیمترتا 3000 میلیمتر تولید میگردد.
1-مشخصات فنی:
1/1- فاصله هد و خط کش 3 میلیمتر و تلرانس آن 0.5± میلیمتر است و تنها خط کشی است که این فاصله و این تلرانس را دارد. این فاصله سبب میگردد این خط کش براحتی نصب شده و دوام طولانی داشته باشد.
2/1- رزولیشن 1µm ، 5 µm یا 0/5 µm
3/1- دقت 3 µm/m ، 5 µm/m یا 10 µm/m
4/1- طول اندازه گیری 1000 mm تا 3000 mm
5/1- سرعت حرکت :
نوع معمولی : 60 متر بر دقیقه
نوع پرسرعت : 120 متر بر دقیقه
6/1- منبع تغذیه : 5 v -80 Ma
7/1- طول کابل استاندارد: 3 متر (طولهای دیگرطبق سفارش)
8/1- دمای کاری صفر تا 45 درجه سانتیگراد
9/1- شش سوکت 9 پین نوع D
توضیحات جدول زیر پین ها در نوع ELA-422-A:
جدول زیر توضیحات پینها در نوع TTL است.
10/1- شکل موج
11/1- موقعیت رفرنس: این خط کشها هر 5 میلیمتریک رفرنس دارد . بههمین جهت براحتی جایگزین دیگر خط کشها میگردد . پیش ازاین خط کشها یک رفرنس در ابتدای خط کش یا وسط داشتند و هنگام جایگزین شدن میبایست به مشخصات رفرنس نیز توجه کرد . ولی این خط کش درهر 5 میلیمتر یک رفرنس دارد و شما میتوانید در هرجای خط کش رفرنس موردنظر را داشته باشید .
2-ساختمان خط کش:
یک خطکش شامل یک بدنه و یک هد میباشد .
1-بدنه خطکش 2- کابل 3- هد یا سنسور 4- قطعه نگهدارنده هد
3-ویژگی های خط کشKA600 :
1/3- کاور : برای دوام بیشتر خطکش لازم است پس از نصب روی آن کاور نصب نمایید. شرکت SINO کاور این خط کشها را تولید نموده و قابل عرضه است .(KA-600 M)
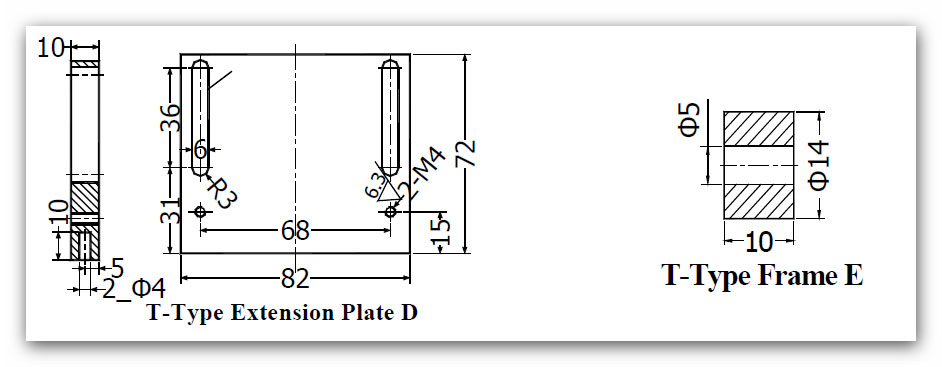
قطعات عمومی جهت نصب:
قطعات آلومینیومی جهت نصب: این قطعات کار نصب را بسیار تسهیل نموده و سرعت میبخشد .با این قطعات به سادگی میتوان هد را در جای مناسب تنظیم نمود .
استفاده از این قطعات در مقایسه با قطعاتی که در کارگاه ساخته میشود موجب شکیل شدن کارمیگردد .
4-نصب:
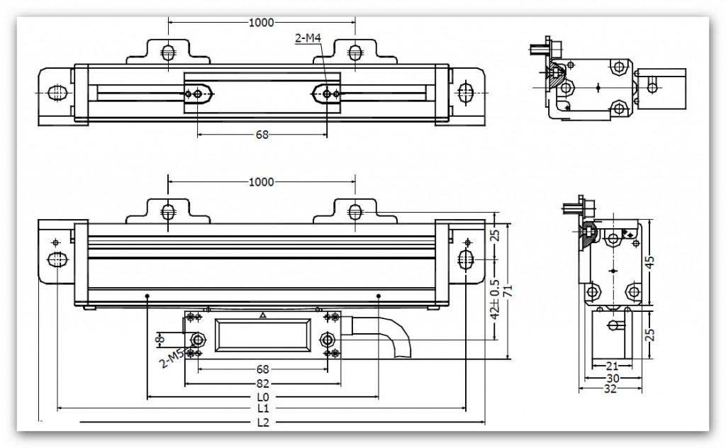
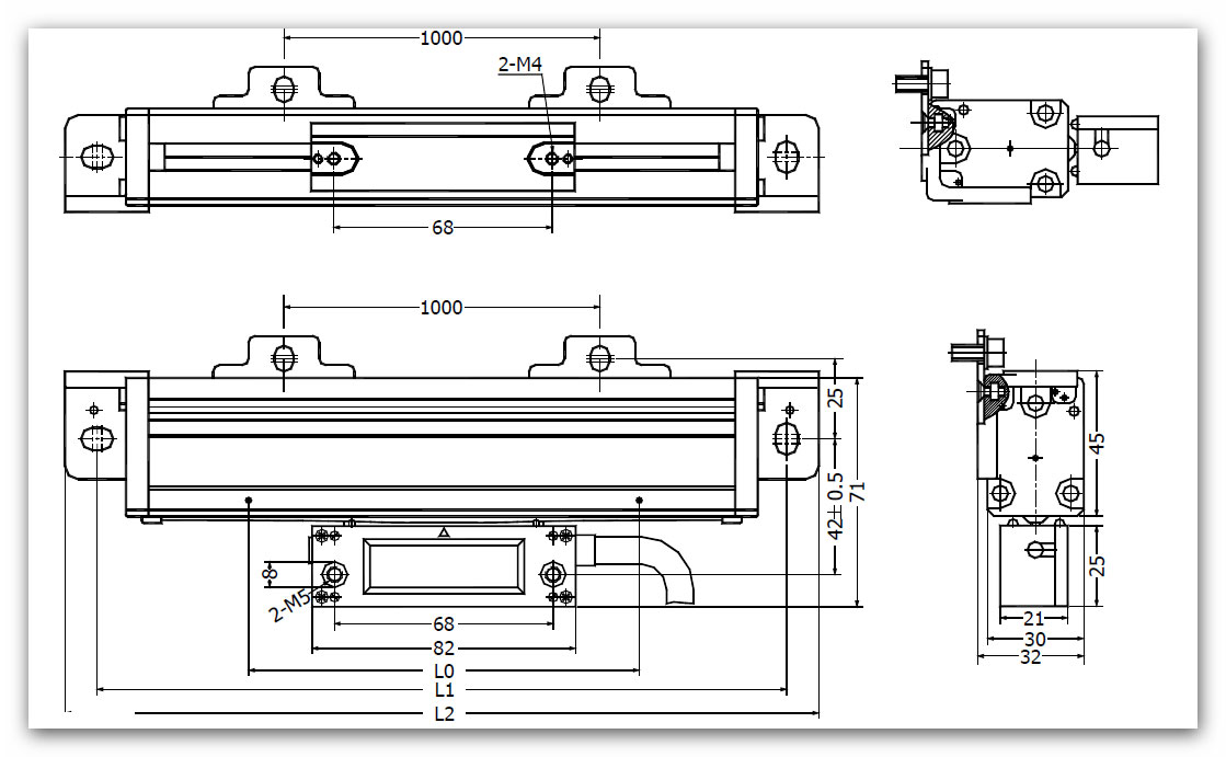
1/4 – ابعاد خط کش
L0: طول مفید اندازه گیری خط کش
L1: فاصله مرکز به مرکز سوراخهای نصب
L2: طول کلی خط کش
















دیدگاهها
هیچ دیدگاهی برای این محصول نوشته نشده است.